Nye produkter
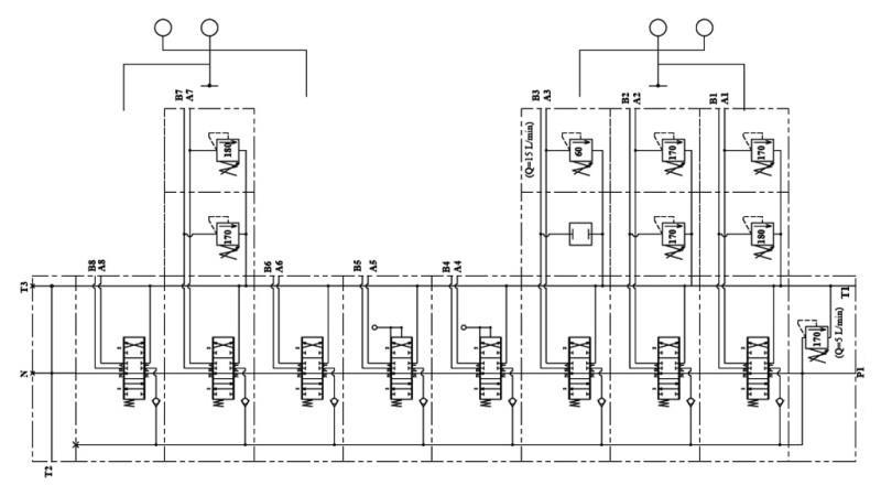
HIDRAVLIČNI VENTIL HIAB 8XPC70 + 2X EURO JOYSTICK 3 POZ
Generel beskrivelse:
Manuel eller mekanisk hydraulisk ventil РC70 er beregnet til distribution og kontrol af arbejdstrømmen mellem den hydrauliske pumpe og hydrauliske cylindre.
Den hydrauliske ventil anvendes til skovbrugsanhængere – (HIAB).
Samlet i en blok med 8 segmenter.
Drift:
Alle hydrauliske ventiler er udstyret med en sikkerhedsventil. I neutral position (håndtag i midten) cirkulerer olien gennem ventilen. Ved at flytte håndtaget til den ene eller den anden side, får den hydrauliske ventil cylinderen til at bevæge sig eller rotere hydraulikmotoren i den ene eller den anden retning. Når håndtaget slippes, vender det automatisk tilbage til neutral position, hydraulikmotoren eller cylinderen stopper i den aktuelle position, og olien cirkulerer igen gennem ventilen. Det er muligt at bruge såkaldte 'closed center' elementer, hvilket ændrer ventilen, så olien ikke cirkulerer gennem ventilen i neutral position, eller en sådan ventil er ikke længere gennemstrømmet. Ved brug eller tilslutning af andre ventiler er det nødvendigt at bruge et 'carry over' element, som muliggør olieforsyning til andre ventiler.
Ved ventiler med spindler til flydende funktion, tillader det cylinderen fri olieflow, hvilket betyder, at cylinderen bevæger sig frit (eller sneploven tilpasser sig terrænet).
Ventiler med spindler til ensrettercylinder er beregnet til ensrettercylinder.
Opbygning:
РC70 er en monoblok distributionsventil. Den er lavet af støbejern EN-GJL300. Spindlerne er lavet af kulstofstål og er hård krombelagt.
Tilslutninger:
Spindlen er skruet fast med to M10 skruer.











