Novi artikli
HIDRAVLIČNA ČRPALKA 00C2X032 GR.0 - 2cc DESNA
Šifra:
14751
OEM:
9990000178803
Stopnja davka
22 %
Cena brez DDV:
61,48 EUR
Cena z DDV:
75,00 EUR
Ref:
5
Opis
Hidravlične črpalke so ključni element vsakega hidravličnega sistema, saj pretvarjajo mehansko energijo v hidravlično energijo. Uporabljajo se v številnih aplikacijah, kot so kmetijska mehanizacija, gradbeni stroji, industrijske naprave in transportni sistemi.
V naši ponudbi najdete kakovostne zobniške hidravlične črpalke različnih velikosti (GR), prostornin in izvedb, ki zagotavljajo zanesljivo delovanje, dolgo življenjsko dobo ter enostavno vgradnjo. Omogočajo stabilen pretok olja ter visoko učinkovitost in minimalne izgube, kar prispeva k optimalnemu delovanju celotnega sistema.
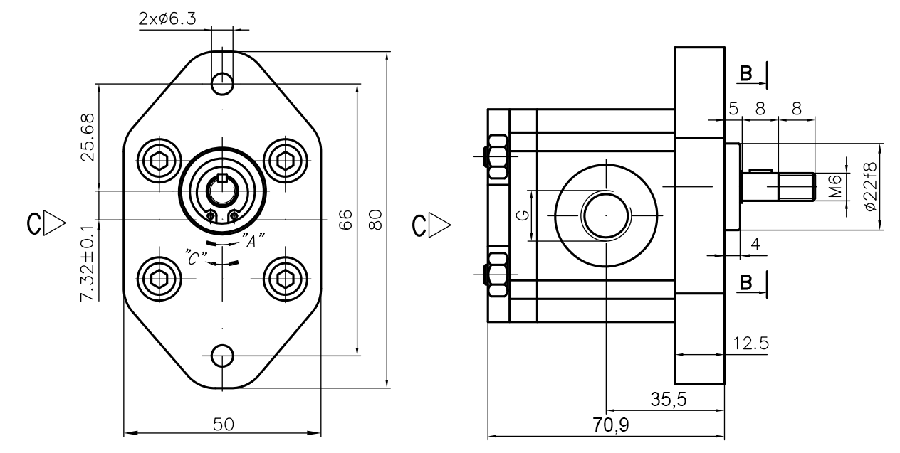
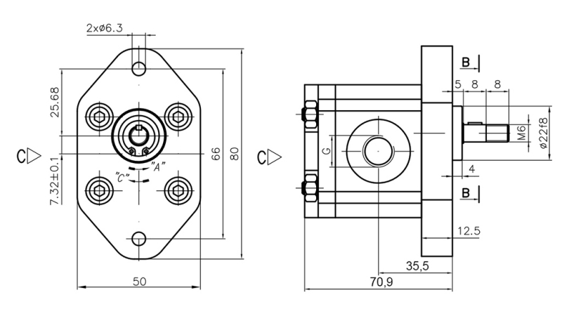
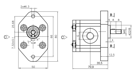
Dimenzije

Hidravlične črpalke
Oznaka:
00C2X032
Dobavitelj:
Turčija
Smer vrtenja:
Desna (C)
Prostornina:
2 cm3/vrt
Vračilo ali menjava:
ni možno
Priključni navoj:
1/4" (vhodni in izhodni)
Velikost:
GR.0
Vrtljaji:
max. 2000 rpm
Garancija:
6 mesecev
Nazivni tlak:
160 bar
Pretok:
2,8 l/min pri 1500 vrt/min in 3,7 l/min pri max. vrt/min









