Novi proizvodi
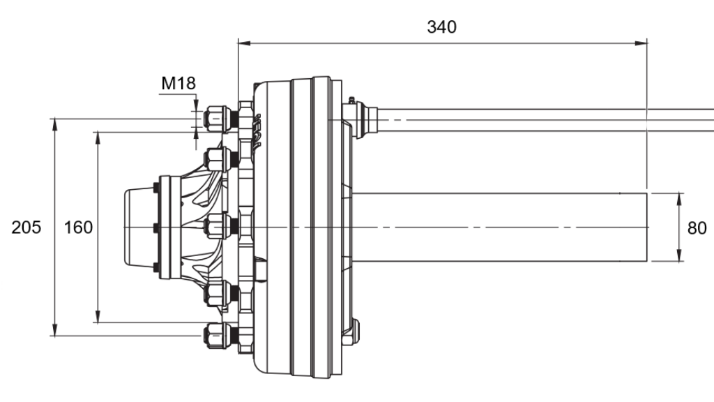
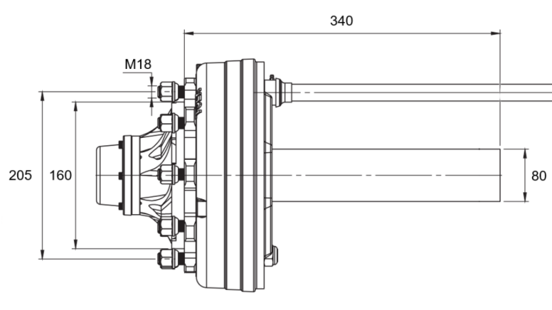
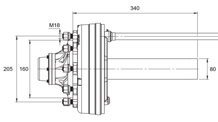
POLUOSOVINA S KOČNICAMA - 4400 kg (6 VIJAKA) - 340 mm
Šifra:
14655
OEM:
9990000175680
Stopa poreza
22 %
Cijena bez PDV:
217,21 EUR
Cijena sa PDV:
265,00 EUR
Ref:
6
| Tehničke informacije | |
| Dobavljač: |
Turkye |
| Povrat ili zamjena: |
14 dana |
| Jamstvo: |
6 mjeseci |
| Dužina: |
340 mm |
| Nosivost: |
do 4400 kg |
| Promjer osovine: |
80 mm (kvadratna) |
| Dimenzije kočnice: |
300 x 90 mm |
| Broj vijaka: |
6 |
Opis
Osovina je namijenjena za upotrebu na raznim vrstama prikolica s kočnim sustavom. Duljina osovine je 340 mm, s nosivosti do 4400 kg.
Zahvaljujući čvrstoj izradi i pouzdanom dizajnu, pogodna je za upotrebu na teretnim i radnim prikolicama, industrijskim šasijama, transportnim okvirima i drugim tehničkim rješenjima gdje je potrebna stabilna i izdržljiva potpora kotača.
Osovina omogućuje korištenje standardnih felgi sa šest vijaka te omogućuje jednostavnu montažu.



%20-%20340%20mm.jpg)


