Nowe produkty
PRZEKŁADNIA KĄTOWA TB-19J 1.46:1 (23HP-16.9KW)
Kod produktu:
100140
OEM:
9990000024728
Stawka podatkowa
22 %
Cena bez VAT:
707,42 PLN
Cena z VAT:
863,05 PLN
Ref:
24
Zwrot lub wymiana:
14 dni
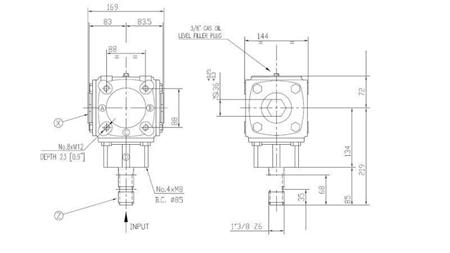
obrót reduktora:
lewo/prawo (w zależności od instalacji reduktora)
kod producenta:
9.259.871.20
Obciążenie:
23 HP (16.9 kW)
Typ reduktora:
TB-19J (przekładnia kątowa)
smar:
olej SAE 90 1.0 litra należy dodać do reduktora.
wał wejściowy:
cardan (1”3/8 – 6 zębów)


.jpg)
.jpg)
.jpg)




