Nowe produkty
HYDRAULICZNY DZIELNIK PRZEPŁYWU ZĘBATEGO 4/1 (9.5-18.9LIT - MAX.240BAR) 4.2CC/SEG
Kod produktu:
13312
OEM:
9990000093038
Stawka podatkowa
22 %
Cena bez VAT:
1.739,12 PLN
Cena z VAT:
2.121,73 PLN
Ref:
5
Opis:
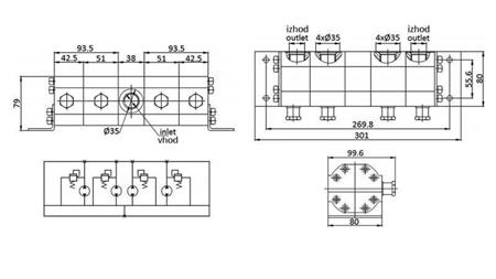
Hydrauliczny dzielnik przepływu zębatego służy jako wyrównywacz przepływu. Są to połączone segmenty, które dzielą dopływ na równe lub proporcjonalne części przepływu, umożliwiając synchroniczny ruch wielu napędów niezależnie od obciążenia (maszyny mobilne rolnicze, platformy podnoszące ...). Może być używany jako wzmacniacz do zwiększenia ciśnienia roboczego w systemach. Dostępny dzielnik z dwoma lub czterema wyjściami.
JAK WYBRAĆ DZIELNIK:podziel przepływ pompy przez wyjścia dzielnika, aby uzyskać przepływ dla każdego segmentu.
Dostawca:
Hiszpania
Zwrot lub wymiana:
14 dni
Waga produktu:
3.85 kg
Gwarancja:
6 miesięcy
Gwint:
wejście: 1/2" wyjście: 3/8"
min. przepływ:
9,5 l/min
cm3/segment:
4.2cc
liczba segmentów wyjściowych:
4
Max. przepływ:
18.9 l/min
max. ciśnienie:
240 bar








