Nowe produkty
RĘCZNY ZAWÓR HYDRAULICZNY MONOBLOK 1xZ80 + POZYCJA PŁYWAJĄCA
Ogólny opis:
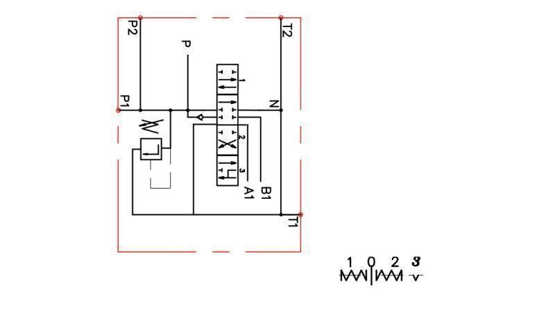
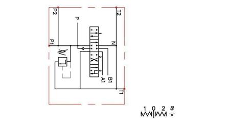
Ręczny lub mechaniczny zawór hydrauliczny Р80 jest przeznaczony do rozdzielania i kontrolowania przepływu roboczego między pompą hydrauliczną a odbiornikami (siłowniki, silniki hydrauliczne…).
Zawory hydrauliczne są stosowane w różnych celach w rolnictwie, przemyśle, budownictwie itp. do kontrolowania:
- siłowników jednostronnych
- siłowników dwustronnych
- silników hydraulicznych
- funkcji pływających (do pługa)
- joysticków (góra-dół, lewo-prawo)
Są one montowane w bloku od 1 do 6 dźwigni.
Obsługa:
Wszystkie zawory hydrauliczne są wyposażone w zawór bezpieczeństwa. W pozycji neutralnej (dźwignia w środku) olej krąży przez zawór. Gdy dźwignia jest przesunięta w jedną lub drugą stronę, zawór hydrauliczny powoduje ruch siłownika lub obrót silnika hydraulicznego w jedną lub drugą stronę. Po zwolnieniu dźwigni automatycznie wraca do pozycji neutralnej, silnik hydrauliczny lub siłownik zatrzymuje się w bieżącej pozycji, a olej ponownie krąży przez zawór. Możliwe jest zastosowanie tzw. elementu 'zamkniętego centrum', który zmienia zawór tak, aby w pozycji neutralnej olej nie krążył przez zawór lub taki zawór nie był już przepływowy. Przy użyciu lub podłączeniu innych zaworów konieczne jest użycie elementu 'carry over', który umożliwia dostarczanie oleju do innych zaworów.
W zaworach z wrzecionami do funkcji pływającej umożliwia to swobodny przepływ oleju siłownika, co w konsekwencji oznacza, że siłownik porusza się swobodnie (lub pług śnieżny dostosowuje się do terenu).
Zawory z wrzecionami do siłowników jednostronnych są przeznaczone dla siłowników jednostronnych.
Budowa:
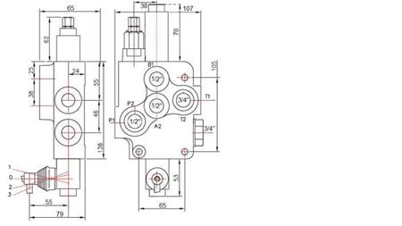
Р80 jest monoblokowym zaworem rozdzielczym. Wykonany jest z żeliwa EN-GJL300. Wrzeciona są wykonane ze stali węglowej i pokryte twardym chromem.
Połączenia:
Wrzeciono jest przykręcone dwoma śrubami M8.







